分类
产品分类
特征与应用:
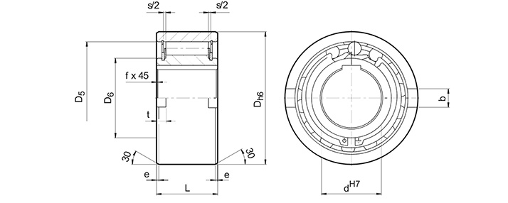
AE系列是没行午夜成人在线电影支撑的滚柱型单问午夜福利国产视频。使用时需要有午夜成人在线电影来承受径向及轴向载荷,并且要存润滑及密封。
外径名义尺寸与标准球午夜成人在线电影相同。
这种午夜福利国产视频的典型使用就是与一个具有相同孔径公差的午夜成人在线电影一起安装,
午夜福利国产视频的内圈用键固定在轴上,外圈有为r6等级的正公差,可以压入公差为H7的座孔,传递正向扭矩时需要有凹槽。
如果座孔的公差等级是R6,就不需要键擠、但外圈座必须有足够的强度,避免装配后变形。